員工因不遵守規程被活活砸死……安全教育還在只搞“墻”化嗎?
安全教育還在只搞“墻”化嗎?
來看看這起違章事故
員工違章操作,直接送命
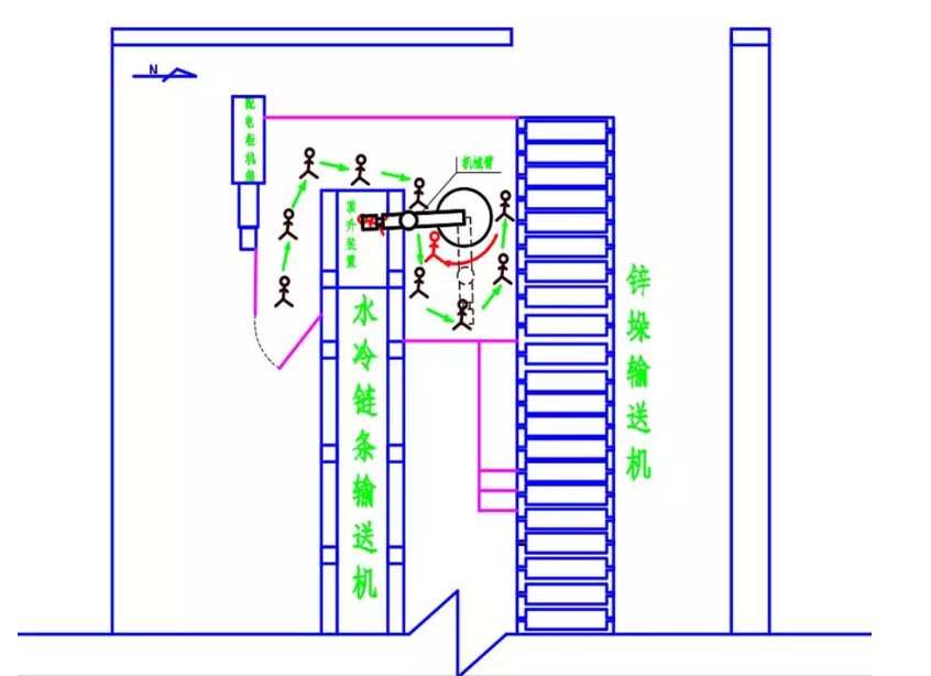
2019年6月6日凌晨5時29分,某冶煉廠熔鑄工序307班鋅錠碼垛作業線機械臂主操手(小組長)金某在自動碼錠機組未停機情況下,從未關閉的隔離欄安全門進入自動碼錠機作業區域,在機械臂作業半徑內進行場地衛生清掃。

金某行走至碼錠機取錠位置與機械臂區間時,因頂錠裝置接收到水冷鏈條傳輸過來的鋅錠,信號傳輸至機械臂,機械臂自動旋轉取錠,瞬間將金某推倒在頂錠裝置上,鋅錠抓取夾具擠壓在金某左部胸腔。
鋅錠打包工張某立即啟動急停開關,并呼叫附近人員一起實施救援,副廠長王某聽到呼叫聲,立即趕到現場參與救援。王某、張某等人手動控制將頂錠裝置降落復位,并將金某身下壓覆的鋅錠取出,增大活動空間,但仍無法救出,后使用撬棍抬升機械臂等方式,均未能將金某救出。
熔鑄工序307班班長楊某趕到現場后,組織人員拆卸機械臂地腳螺栓,用電動單梁吊吊起機械臂,將金某救出。 120救護人員趕到現場實施搶救,后送往醫院,金某經搶救無效死亡。
金某違反《機械臂安全環保技術操作規范》Q/YCQXJ3060.新增-2019中4.3.5“嚴禁在機械臂作業時進入作業區域空間” ,以及5.3.2.3“機械臂斷電后,操作人員方可進入作業半徑內”的規定,違章進入自動碼錠機機械臂作業半徑區域進行清掃作業。

金某違反規程“嚴禁違章穿越或進入正在運轉的設備設施”,該行為未能得到有效遏制和杜絕,導致事故發生。 企業對《機械臂安全環保技術操作規范》、《機械臂技術規范》教育培訓不到位,員工安全風險防范意識不強。 現場安全防護設施不完善,隔離欄安全門與機械臂未有效連鎖。 現場人員未能清晰掌握機械臂手臂發生人員困住的解救措施,應急處置能力不足。
因為放松了對設備的警惕
造成了這種慘痛的結局
小安提醒
工作中有些員工
因為太過熟悉這個崗位的流程
很多人普遍會養成陋習
漠視規章、我行我素
這樣極易發生生產安全事故
要預防機械傷害事故,主要從以下幾方面入手:
正確維護和使用防護設施
應安裝防護設施的地方而沒有防護設施的不能運行;不能隨意拆卸防護裝置、安全用具或安全設備,或使其無效。一旦設備修理和調節完畢后,應立即重新裝好這些防護裝置和設備。
轉動部件未停穩不得進行操作
由于機器在運轉中,有較大的離心力,這時進行生產操作、拆卸零部件、清潔保養工作等,都是很危險的,如離心機、壓縮機等。
正確穿戴防護用品
防護用品是保護職工安全和健康的,必須正確穿戴衣、帽、鞋等護具;工作服應做到三緊:袖口、下擺、褲口。酸堿崗位和機加工的某些工種,要堅持戴防護眼鏡。
站位得當
如在使用砂輪機時,應站在側面,以免萬一砂輪飛出時打傷自己;不要在起重機吊臂或吊鉤下行走和停留。
轉動機件上不得擱放物件
特別是機床,在夾持零部件過程中,易于將工具、量具或其他物件,順手放在旋轉部位上,一開車,這些物件極易飛出,發生事故。
不要跨越運轉的機軸
機軸如處于人行通道上,應裝設跨橋;無防護設施的機軸,不要隨便跨越。
執行操作規程,做好維護保養
嚴格執行有關規章制度和操作法,是保證安全運行的重要條件。
絕對禁止的不安全的操作行為:
機械設備操作、物品取放方法不正確,物體支撐不牢靠。 靠近或進入危險場所,如正在運轉的機器或起吊的貨物等。 對正在運轉、通電或加熱中的機械裝置進行清掃、加油或檢修。 突然啟動機器,未給信號或未確認安全便移動車輛、物體或者進行下一步操作。 機械裝置選擇不當,使用不當或者有缺陷。 離開正在運轉的機器,把機器或材料置于不安全的狀態下或場所中。 拆除安全裝置,或使安全裝置失效的行為。 從車輛或機器上跳上、跳下,或者用手代替規定的工具作業。 不使用個人防護用品或選用不當或佩戴不安全。 隨意觸摸未知化學品。
