搖表使用方法圖解
搖表也稱兆歐表,主要用于測量電氣設備的絕緣電阻。搖表的額定電壓有500、1000、2500V等幾種。

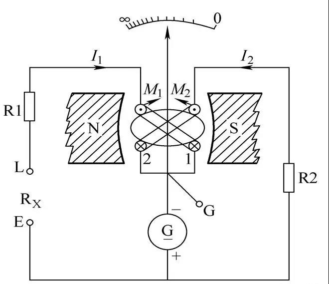
?搖表的結構
搖表由一個手搖發電機、表頭和三個接線柱(即l:線路端、e:接地端、g:屏蔽端)組成。

?搖表的工作原理

1、被測電阻Rx接在“L”與“E”端鈕之間。
2、搖動直流發電機的手柄,發電機兩端產生較高的直流電壓,線圈1和線圈2同時通電。

當以120轉/分速度均勻搖動手柄時,表內的直流發電機輸出該表的額定電壓,在線圈1與被測電阻間有電流I1,在線圈2與表內附加電阻R2有電流I2,兩種電流與磁場作用

產生相反的力矩,當I1電流最大(即被測電阻為0),指針指向刻度0。當I2電流最大(即開路狀態),指針指向刻度無窮大∝,當被測電阻為一定值時,指針指在被測電阻的數值,由于搖表沒有游絲,不能產生反作用力矩,所以搖表在不測時停留在任意位置(即不定位),而不是回到零,這跟其他指針式的儀表有區別的。

?搖表的選擇
1)搖表的額定電壓一定要與被測電氣設備或線路的工作電壓相適應。一般額定電壓在500伏以下的設備,選用500伏或1000伏的搖表;額定電壓在500伏及以上的設備,選用1000~2500伏的搖表。
2)搖表的測量范圍要與被測絕緣電阻的范圍相符合,以免引起大的讀數誤差。
?搖表的使用
1)搖表的接線
搖表有三個接線端鈕,分別標有L(線路)、E(接地)和G(屏蔽)。

當測量電力設備對地的絕緣電阻時,應將L接到被測設備上,E可靠接地即可。
2)搖表的檢查
【開路試驗】在搖表未接通被測電阻之前,搖動手柄使發電機達到120r/min的額定轉速,觀察指針是否指在標度尺“∞”的位置。

【短路試驗】將端鈕L和E短接,緩慢搖動手柄,觀察指針是否指在標度尺的“0”位置。

(1)觀測被測設備和線路是否在停電的狀態下進行測量。并且搖表與被測設備間的連接導線不能用雙股絕緣線或絞線,應用單股線分開單獨連接。

(2)將被測設備與搖表正確接線。搖動手柄時應由慢漸快至額定轉速120r/min。

(3)正確讀取被測絕緣電阻值大小。同時,還應記錄測量時的溫度、濕度、被測設備的狀況等,以便于分析測量結果。

?常用電氣設備的搖測方法詳解
(1)測量照明或電力線路對地的絕緣電阻
將搖表接線柱的(E)可靠接地,(L)接到被測線路上。按順時針方向搖動搖表的發電機手把,轉速由慢變快,轉速達120/分鐘勻速搖動,約一分鐘后發電機轉速穩定時,表針也穩定下來,這時表針指示的數值就是所測得的絕緣電阻值。測量方法如圖所示。

(2)測量電機的絕緣電阻
將搖表接線柱的(E)接機殼。(L)接到電機繞組上,以120轉/分的速度搖動搖表手柄。指針穩定后讀數。測量方法如圖所示。

(3)測量變壓器各相線圈絕緣電阻
1)測量各相線圈對地絕緣電阻時,將繞組的導線接搖表(L)接線柱,將設備外殼和鐵芯接搖表(E)接線柱,瓷瓶外表接于(G)接線柱。測量方法如圖所示。

2)測量繞組的相間絕緣電阻時,用搖表的(L)接線柱和(E)接線柱分別接任意兩根導線,分別測量相間絕緣電阻。
(4)測量電纜的絕緣電阻
1)鎧裝電纜
測量電纜相對地的絕緣電阻時:將被測兩端分別接(E)和(L)兩接線柱,將(G)接線柱引線接到電纜殼芯之間的絕緣層上。測量方法如圖所示。

測量電纜相對相絕緣時:被測其中一相接(L)接線柱,將另外的任意一相接搖表(E)接線柱,轉動搖表,即測得相間絕緣電阻值,用同樣的方法測另二相間絕緣電阻值。測量方法如圖所示。
2)橡套電纜
測量橡套電纜的對地絕緣電阻時,將搖表(L)用連線接在主芯線上,再將接地端鈕(E)接在接地芯線上,并用導線連接橡膠護套后,另一端接在搖表的(G)接線柱上,轉動手柄,測出相對地絕緣電阻值。測量方法如圖所示。

測量相間絕緣電阻時,可分別將兩端(L)和(E)分別接任意兩相芯線,即可測出相間絕緣電阻值。測量方法如圖所示。

?搖表使用時的注意事項(13個)
1、使用搖表測量高壓設備絕緣,應由兩人擔任。
2、應視被測設備電壓等級的不同選用合適的絕緣電阻測試儀。
3、測量用的導線,應使用絕緣導線,其端部應有絕緣套。
4、搖表與被測設備之間應使用單股線分開單獨連接,并保持線路表面清潔干燥,避免因線與線之間絕緣不良引起誤差。
5、測量絕緣時,必須將被測設備從各方面斷開,驗明無電壓,確實證明設備無人工作后,方可進行。在測量中禁止他人接近設備。
6、在測量絕緣前后,必須將被試設備對地放電。被測設備必須與其他電源斷開,以保護設備及人身安全。
7、測量線路絕緣時,應取得對方允許后方可進行。
8、在有感應電壓的線路上 (同桿架設的雙回線路或單回路與另一線路有平行段)測量絕緣時,必須將另一回線路同時停電,方可進行。
9、在帶電設備附近測量絕緣電阻時,測量人員和搖表安放位置,必須選擇適當,保持安全距離,以免搖表引線或引線支持物觸碰帶電部分。移動引線時,必須注意監護,防止工作人員觸電。
10、搖測時,將搖表置于水平位置,搖把轉動時其端鈕間不許短路。搖測電容器、電纜時,必須在搖把轉動的情況下才能將接線拆開,否則反充電將會損壞搖表。
11、搖動手柄時,應由慢漸快,均勻加速到120r/min,并注意防止觸電。搖動過程中,當出現指針已指零時,就不能再繼續搖動,以防表內線圈發熱損壞。
12、為了防止被測設備表面泄漏電阻,使用搖表時,應將被測設備的中間層(如電纜殼芯之間的內層絕緣物)接于保護環。
13、禁止在雷電天氣或在鄰近有帶高壓導體的設備處使用搖表測量。
